0519-81580118
当前位置:首页 > 经营范围 > 太阳能供热技术
经营范围
Nature of Business
土壤源热泵技术 高效地源热泵系统 水源热泵技术 蓄能系统 吸收式热泵技术 冰蓄冷技术 太阳能供热技术 地板辐射采暖 温湿度独立控制空调系统 传统空调形式 售后服务与运行托管
太阳能供热技术

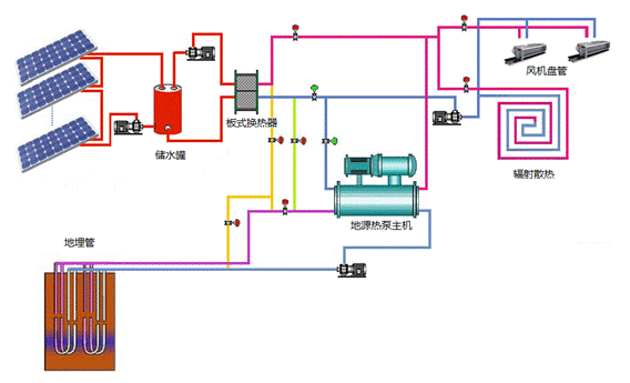
  当室外温度较高,热负荷较小的情况下,太阳能蓄热温度满足供热需要,可采用太阳能直接供热,否则作为地源热泵系统辅助热源。示意图如下:


上一篇:冰蓄冷技术
下一篇:地板辐射采暖
相关文章
  • 2019-11-26 13:29:30

    江苏天地远大公司于2019年11月15日—11月17日举办了2019年秋季员工团建活动——天柱山之旅。江苏天地远大员工参加组团游览了国家5A级地质公园天柱山景区…

  • 2017-02-09 13:25:22

    捷报传来,令人兴奋!1月10日我公司又传来中标喜讯天地远大公司以东芝品牌成功中标常州轨道交通项目多联机空调工程,项目金额达2165万。常州地铁项目,…

  • 2016-05-04 13:20:49

    4月24日,一个秋高气爽的季节,辛勤工作了一年的我们,一齐来到茅山的白鹭生态园,爽了一把,把全年的辛劳都放下,以团结振奋的心态迎接新的一年,总结…

  • 2015-10-08 13:16:32

    2015年9月25日,我公司为即将离职的李云凯举办了一场别开生面的欢送会,整场欢送会洋溢着感动的泪水。 会上首先播放了同事们集体录制的离别赠言和…

  • 2015-09-02 13:12:59

    每个人,每个团体都用不同的方式向天津发出支持,我们能做的只有这些,天津加油!现场气氛轻松活跃,温馨动人。作为能源企业的工作者,能以这种方式为社…

  • 2015-07-24 13:12:16

    近期,我公司工会荣获常州市总工会颁发的2014年度“常州市企事业劳动保护优秀工会”称号。 为进一步规范企事业工会劳动保护工作,使工会劳动保护…

相关产品

Copyright 2021 江苏天地远大机电系统工程有限公司 苏ICP备11054790号-1 版权声明 技术支持:江苏东网科技 [后台管理]
Top